nRF52 Debug Resurrection (APPROTECT Bypass) Part 2
After **[the Part 1 describing the APPROTECT Bypass](https://limitedresults.com/2020/06/nrf52-debug-resurrection-approtect-bypass/)**, this new post presents ho...
After the Part 1 describing the APPROTECT Bypass, this new post presents how to:
-
exploit a real product based on nRF52840 to extract the Firmware and reactivate the SWD interface.
-
reproduce the attack on others nRF52 SoCs to confirm the vulnerability in all the nRF52 versions.
1. Exploit Validation on real Product
Let's start by a classic scenario, where an hacker needs to access the Firmware of a product. If this product is based on nRF52, it is likely protected to avoid the firmware readout, in order to prevent reverse-engineering.
1.1 The Target: Logitech G Pro
For the exploit validation, I selected the first device I have on hand. It is my Logitech G Pro Mouse based on nRF52840.
Note: My goal is not to attack the Logitech product here.

Ouch, 150$ sacrifice
2. Getting Access
I skip the teardown part but for people interesting in, here is a nice YouTube video.
The device is dismantled to access the main board:

Front PCB of the Logitech PRO G. Take a look to the HERO sensor, beautiful.
The SWD pins (SWDCLK, SWDIO) are silkscreened, so these are easy to identify (red frame).
Then, some pin headers are soldered to connect the target to a Segger J-Link Debug probe:

SWDCLK, SWDIO, VDD_NRF and GND jumper wires between the target and the JTAG probe. USB cable is also plugged because battery is not connected..
Any attempt to connect via OpenOcd and GDB is rejected:
$ openocd -f /usr/local/share/openocd/scripts/interface/jlink.cfg -c "transport select swd" -f /usr/local/share/openocd/scripts/target/nrf52.cfg
$ arm-none-eabi-gdb

APPROTECT is enabled. And connection to SWD is rejected.
Of course, the APPROTECT feature is enabled on this device.
3. Reproducing the APPROTECT Bypass
3.1 Preparation
The nRF52840 is located on the PCB back-side and acts as the main processor of the system.
The PCB design matches perfectly the nRF52840 reference design (found in the Nordic Datasheet). It's like a copy-paste design.
Decoupling capacitors C5 and C15 are removed and the glitch output is connected to VDD_CPU (DEC1) :

C5 and C15 are removed (black frame). VDD_CPU_DEC1 (red wire) and GND (black wire).
The VDD_CPU (DEC1) is connected to the glitcher via an SMA connector. Here is a view of the full attack setup:

Quick Setup on Logitech PRO G
3.2 Fault attack Time
The fault attack is launched by running a python script, which is in charge to synchronise the glitch system, the oscilloscope and to reset the device after each fault attempt.
This screenshot shows a normal boot-up (classic behaviour of the device):

Normal behaviour (no glitch effect). CH1=UART, CH2= VDD_nRF (Scope trigger), CH3 = CPU current consumption, CH4= VDD_CPU.
Then, the result you want to obtain, after a successful fault:

Successful attack. CH1=UART, CH2= VDD_nRF (Scope trigger), CH3 = CPU current consumption, CH4= VDD_CPU.
The VDD_nRF signal on the board is used as scope trigger reference. After a specific delay, the injected fault is disrupting the normal initialisation of the nRF52840.
From the shell point-of-view, the external debugger can now connect to the mouse:

Debugger connected to the nRF52840
4. Firmware extraction
Once connected, the next step is to dump the Firmware and the UICR:
#openocd via telnet
dump_image FLASH.bin 0x0 0x100000
dump_image UICR.bin 0x10001000 0x1000
#optional
dump_image FICR.bin 0x10000000 0x1000
Here are the boot loader version and the Device Name at 0xE5CD8 in the flash memory:

Bootloader version
Static Code Analysis can then be performed, in order to find vulnerabilities (or just to understand how it works).

Big C skillz
4.1 Permanent Debug Reactivation
In order to reactivate persistently the debug interface, the APPROTECT is disabled (see Part 1) and re-flashed with the extracted FLASH.bin and the UICR.bin (of course with APPROTECT patched to 0xFFFFFFFF):

Logitech PRO-G Mouse back to development mode...
The mouse is back to "Development Mode" where dynamic Code Analysis is a tremendous advantage (especially during exploit development).
5. The Family Burden
Until now, all the results have been obtained on the nRF52840.
The nRF52 SoCs shares the Cortex-M4 CPU, the same Debug Ports, the same Flash Memory (except the memory array), and the same NVMC. In this context, it is likely the vulnerability is common to the entire nRF52 series SoC family. Here is my vision of the nRF52 ecosystem:

Review of existing nRF52 platforms
After this little review, I decided to focus on the nRF52832 and the nRF52833. Nordic provides development-kit for these two platforms.
Two dev-kits have been ordered. Cost = 150$.
6. Results on nRF58232
Tests are achieved on the nRF52-DK , based on nRF52832. The development board is modified by removing capacitors and soldering wires:

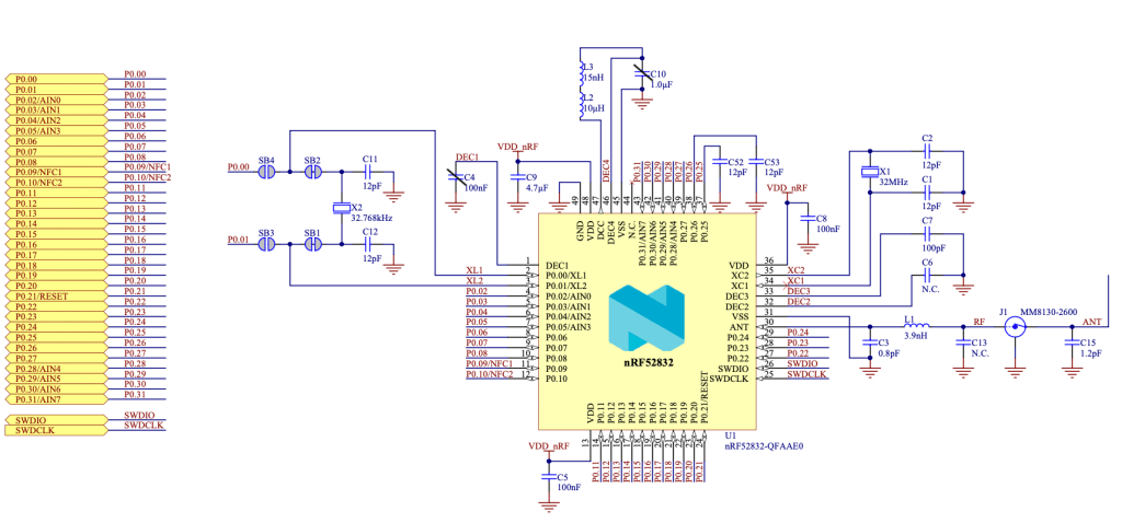
nRF52832 reference schematic

nRF52832 thin wire soldered to DEC1, red wire to DEC4.
Note: only the thin wire connected to DEC1 is sufficient to realise the attack.
Oscilloscope is used to identify the interesting pattern.
I have improved a little bit my way to monitor the power consumption on the DEC1 line. The signal noise ratio is higher.
According to the power consumption shown below, the behaviour during the the Flash Controller initialisation is the same:

Analysis on CPU power consumption during the boot. CH1= UART TX, CH2 = DEC1 power consumption, CH3 = glitch command.
Here is an example of a successful glitch:

Successful glitch. CH1= UART TX, CH2 = DEC1 power consumption, CH3 = glitch command.
SWD Debug is reactivated:

Debugger is attached to the nRF52832 target.
These results demonstrate the nRF52832 is vulnerable to the APPROTECT exploit.
7. Results on nRF58233
Once more, similar tests are achieved on the nRF52833-DK, based on nRF52833.
Schematic and PCB view for reference:

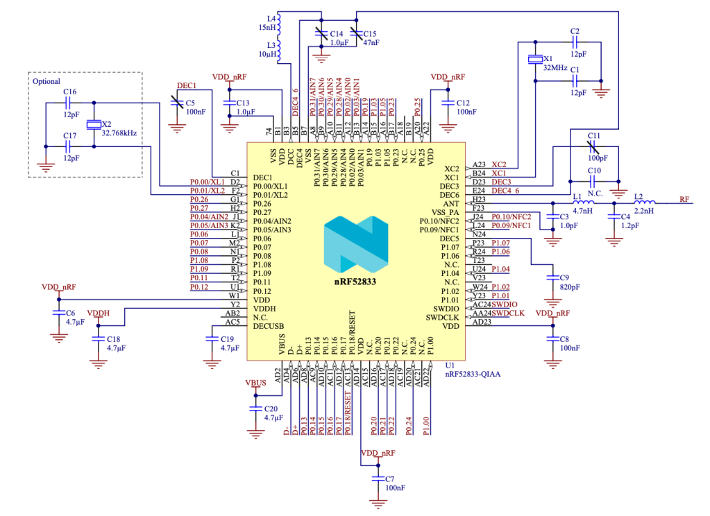
nRF52833 schematic

nRF52833 thin wire soldered to DEC1, red wire to DEC4.
On the nRF52833, the initialisation of the Flash Controller is equivalent to the previous analysed nRF52s. Fault injection is performed on CPU Power line DEC1:


Same here, SWD is reactivated:

Debugger is attached to the nRF52833 target.
The nRF52833 is vulnerable to the APPROTECT exploit.
After these tests, no doubt all nRF52 versions are vulnerable.
8. Impact
Nordic confirmed the security issues in their information notice sent to all their customers the 12th of June 2020.
in my opinion, the nRF52 APPROTECT feature can be defeated in a short amount of time and with a very limited budget.
CVSS Score is 7.6 (Severity = High) CVSS:3.0/AV:P/AC:L/PR:N/UI:N/S:C/C:H/I:H/A:H.
The following Nordic nRF52 versions are vulnerable:
- nRF52810
- nRF52811
- nRF52820
- nRF52832
- nRF52833
- nRF52840
and by consequence, Modules based on nRF52 are vulnerable too.
These modules can leverage all the features of Nordic's SoC Hardware and Software architecture to make a 'single module product' without the need for an additional microcontroller to run your application.
Nordic provides references of third-party modules here, such as:
- Fanstel Corp.
- Laird
- Minew
- Raytac
- Taio Yuden
- U-blox
- Wurth Elektronik
- Murata
- Dynastream
- Fujitsu
- .... and more



9. Conclusion
The APPROTECT Bypass has been demonstrated on a commercial device, the Logitech Pro G Mouse.
Additional tests have been achieved on nRF52832 and nRF52833. The results show these platforms are vulnerable too. NordicSemiconductor confirmed all their nRF52 versions are vulnerable.
This is impacting a tremendous number of devices on the field right now, from nRF52-based products to Third-party Modules (using nRF52 platforms).
The vulnerability resides in Silicon. There is no way to patch without HW revision.
10. Timeline Disclosure
NordicSemiconductor and LimitedResults did not agree on a responsible disclosure. (See Part 1 for more details). They made their decision and I respect that. Life goes on.